Contents - Index - Previous - Next
How the Feedback process works.
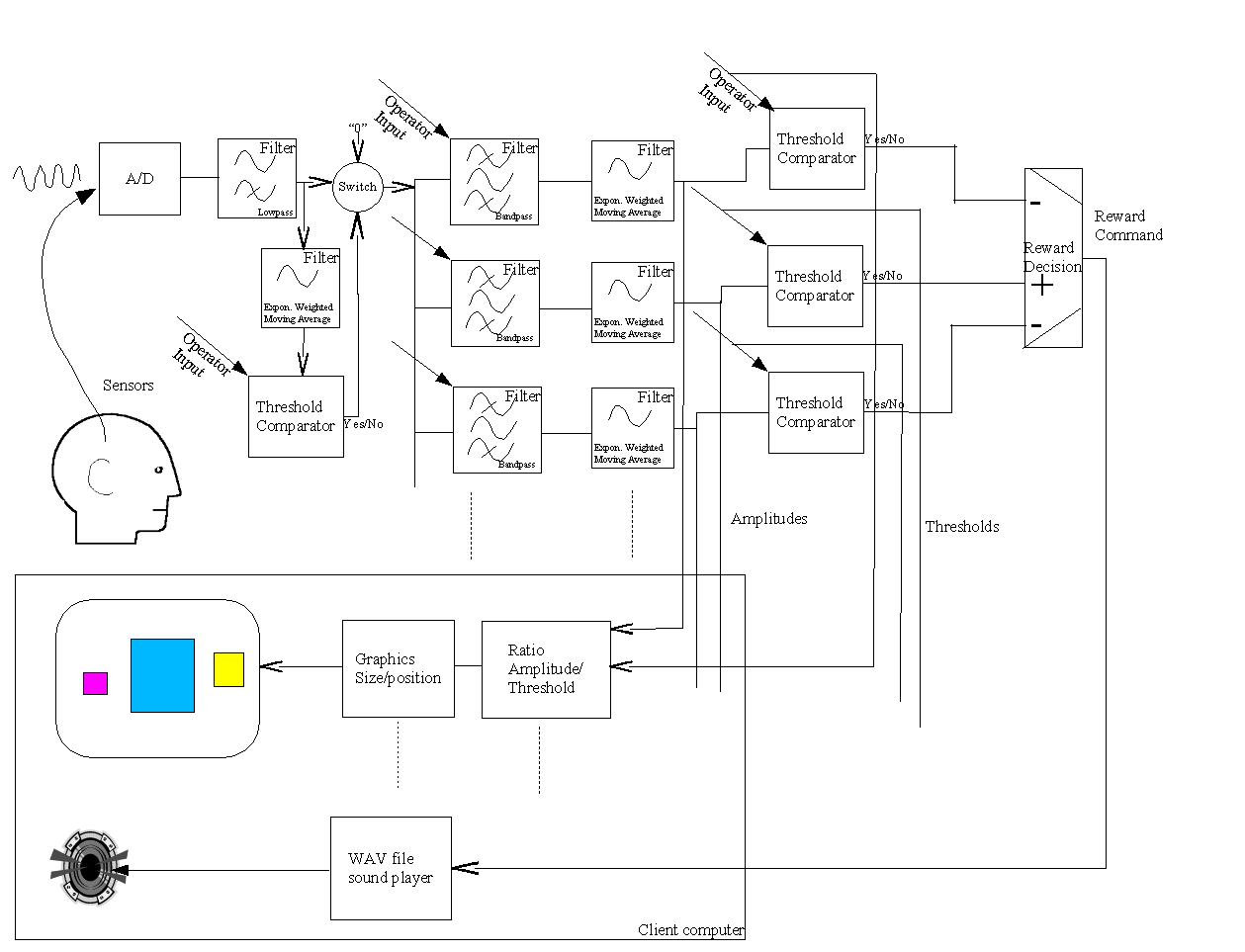
Appendix 1: How the Feedback process works.
The feedback loop begins with the client. Sensors 'pasted' to the client's head pick up microvolt-level EEG signals which are amplified and converted to digital voltages by the A/D subsystem at a nominal rate (either 160 or 256 Hz).
The samples are converted to equivalent peak-peak voltages. All filters in the software are Infinite Impulse Response (IIR) filters. The raw samples are lowpass-filtered by a 40 Hz filter to remove 60 Hz ambient noise. The clinician adjusts a threshold voltage value to inhibit the data in the presence of muscle (EMG) artifacts. The resulting lowpass signal is fed to a number of 'streams' of processing which are very similar, although some are labeled "Inhibit" and some labeled "Reward". A typical test run uses two inhibit streams and one reward stream.
In each stream, the lowpass signal is bandpass-filtered into various frequency bands (of the clinician's choice) using IIR digital filters. The filter output is fed to an exponentially-weighted moving average filter which produces a short-term average (peak- to-peak) voltage for further use. The time constant of the averaging filter is selectable but is usually 0.5 seconds. The moving average goes two places: directly to the client (game) computer (for visual stimulus) and to a comparator. The comparator produces a threshold-exceeded signal whenever the clinician-adjusted threshold voltage is less than the current moving average of the stream.
All the threshold-exceeded signals are processed by the reward decision logic which declares a 'client reward' when all streams defined as "Inhibit" are below threshold and all streams defined as "Reward" are above threshold. The client aural reward rate is further limited to no more than 2 Hz (so that each sound can be separately heard). The client reward command is sent to the client computer to create an aural stimulus.
The visual feedback is independent of the aural feedback (except that they are both based on relative amplitude/threshold values). The client computer plays a prerecorded sound file (usually a short ¼ second beep) whenever a reward is commanded, giving aural feedback to the client that all clinician-specified (amplitude) conditions were being met. The client computer also draws simple graphics images giving a continuous display of the ratio of amplitude to threshold for each stream of data. The client visual display depends on the particular "game" chosen but all act similarly. The simplest presentation is of three boxes as shown in figure 2. An outline is drawn for each box representing the "threshold" value. A color-filled square is drawn representing the current "amplitude" of the stream of data. Instructions to the client consist of telling them to make the 'inhibit' squares smaller than the outlines and the 'reward' square bigger than the outline. The 'reward' square is in the center and the inhibit squares on either side of the reward square.
The client's EEG response to the aural/visual signals is then sensed and fed back into the loop.

Figure 1

Figure 2